| 閥體材質 | WCB碳鋼、304不銹鋼、316不銹鋼 |
|---|---|
| 公稱通徑 | DN15~200mm |
| 公稱壓力 | PN1.6MPa、2.5MPa、4.0MPa、Class150 |
| 密封形式 | 聚四氟乙烯PTFE密封(-40~+150℃)、對位聚苯PPL密封(-29-+280℃) |
| 適用介質 | 水、蒸汽、油品、硝酸、醋酸、氧化性介質、尿素等多種介質 |
| 驅動形式 | 手柄、蝸輪、電動、氣動、液動等 |
| 行業應用 | 應用于 醫療器械、太陽能、清洗設備、食品機械、燃燒器、焊接切割、消防安全、生物制藥、機械制造等行業等 |
不銹鋼薄型球閥用于PN16~PN40 的各種管路上,用于截斷或接通管路中的介質。免支架安裝,可以和電動執行器或氣動執行器進行直接連接,也可以在軸上安裝手柄,實現手動功能。閥芯O型結構適合切斷場合使用,閥芯V型結構適合調節流量大小場合使用。根據不同的介質和介質的溫度,選擇合適的閥座。
執行機構選型
不銹鋼薄型球閥通過支架和聯軸器和電動執行機構和氣動執行機構連接,組成,電動不銹鋼薄型球閥(開關型和調節型控制信號4-20mA)和氣動不銹鋼薄型球閥(開關型和調節型控制信號4-20mA)
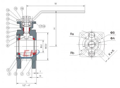
| 序號NO. | 零件名稱PARTS | 材質MATERIAL | ||
|---|---|---|---|---|
| 1 | 閥體BODY | WCB | CF8 | CF8M |
| 2 | 閥座SEAT | PTFE | ||
| 3 | 球體BALL | CF8 | CF8 | CF8M |
| 4 | O形圈O-RING | FPM | ||
| 5 | 墊片GASKET | PTFE | ||
| 6 | 閥蓋BONNET | WCB | CF8 | CF8M |
| 7 | 螺柱BOLT | 304 | ||
| 8 | 螺母NUT | 304 | ||
| 9 | 閥桿STEM | 304 | 304 | 316 |
| 10 | 閥桿墊圈STEMWASHER | PTFE+25%GF | ||
| 11 | O形圈O-RING | FPM | ||
| 12 | 填料PACKING | PTFE | ||
| 13 | 耐磨墊WEARWASHER | PTFE+25%GF | ||
| 14 | 壓圈GLAND | 304 | ||
| 15 | 蝶形彈簧DISCSPRING | 304 | ||
| 16 | 壓板GLANDFLANGE | CF8 | ||
| 17 | 定位片STOPPER | 304 | ||
| 18 | 內六角螺釘HEXSOCKETBOLT | 304 | ||
| 19 | 螺母NUT | 304 | ||
| 20 | 手柄HANDLE | WCB/CF8 | ||
| 21 | 螺栓BOLT | 304 | ||
| 22 | 螺母NUT | 304 | ||
| 尺寸Nominal Diameter | L | d | D2 | D1 | D | b | f | n-M | H | W | Ra | Rb | A | B | K×K | |
|---|---|---|---|---|---|---|---|---|---|---|---|---|---|---|---|---|
| 15 | 1/2" | 35 | 15 | 45 | 65 | 95 | 10 | 2 | 4-M12 | 81 | 150 | 3.0 | 3.0 | 36 | 42 | 9X9 |
| 20 | 3/4" | 38 | 20 | 55 | 75 | 105 | 10.5 | 2 | 4-M12 | 86 | 150 | 3.0 | 3.0 | 36 | 42 | 9X9 |
| 25 | 1" | 43 | 25 | 65 | 85 | 115 | 12 | 2 | 4-M12 | 93 | 180 | 3.0 | 3.5 | 42 | 50 | 11X11 |
| 32 | 1-1/4" | 53 | 32 | 78 | 100 | 135 | 15 | 2 | 4-M16 | 103 | 180 | 3.0 | 3.5 | 42 | 50 | 11X11 |
| 40 | 1-1/2" | 63 | 38 | 85 | 110 | 145 | 16 | 2.5 | 4-M16 | 120 | 210 | 3.5 | 4.5 | 50 | 70 | 14X14 |
| 50 | 2" | 73 | 44 | 100 | 125 | 160 | 16.5 | 2.5 | 4-M16 | 127 | 210 | 3.5 | 4.5 | 50 | 70 | 14X14 |
| 65 | 2-1/2" | 95 | 57 | 120 | 145 | 180 | 18 | 3 | 4-M16 | 144 | 260 | 4.5 | 5.5 | 70 | 102 | 17X17 |
| 80 | 3" | 118 | 73 | 135 | 160 | 195 | 20 | 3 | 8-M16 | 154 | 260 | 4.5 | 5.5 | 70 | 102 | 17X17 |
| 100 | 4" | 140 | 90 | 155 | 180 | 215 | 20 | 3 | 8-M16 | 172 | 330 | 4.5 | 5.5 | 70 | 102 | 17X17 |
| 125 | 5" | 165 | 110 | 185 | 210 | 250 | 22 | 3 | 8-M16 | 220 | 650 | 5.5 | 6.5 | 102 | 125 | 22X22 |
| 150 | 6" | 195 | 145 | 210 | 240 | 285 | 22 | 3 | 8-M20 | 245 | 800 | 5.5 | 6.5 | 102 | 125 | 27X27 |
| 200 | 8" | 275 | 195 | 265 | 295 | 340 | 24 | 3 | 12-M20 | 340 | 1000 | 5.5 | 6.5 | 102 | 125 | 27X27 |
| 球閥說明書 | 下載 |
|---|---|
| 球閥說明書-上海川滬閥門有限公司 | 點擊下載 |