| 閥體材質 | WCB碳鋼、304不銹鋼、316不銹鋼 |
|---|---|
| 公稱通徑 | DN15~300mm |
| 公稱壓力 | PN1.6MPa、2.5MPa、4.0MPa、6.4MPa、Class150、300 |
| 密封形式 | 聚四氟乙烯PTFE密封(-40~150℃)、對位聚苯PPL密封(-40~300℃)、合金鋼H密封(-40~425℃)、硬質合金Y密封(-40~425℃) |
| 閥芯形式 | 三通L型,三通T型 |
| 驅動形式 | 手柄、蝸輪、電動、氣動、液動等 |
| 行業應用 | 應用于 醫療器械、太陽能、清洗設備、食品機械、燃燒器、焊接切割、消防安全、生物制藥、機械制造等行業等 |
三通法蘭球閥分為L形和T形,L形(Q44F)三通球閥用于介質流向的切換,能使相互垂直的兩個通道連接;T形(Q45F)三通球閥用于介質分流、合流及流 向切換。T形三通可以使三個通道相互連通或使其中的兩個通道連通。三通球閥Q44F、Q45F廣泛適用于水、油、氣、硝酸類、醋酸類多種介質。
執行機構選型
三通法蘭球閥通過支架和聯軸器和電動執行機構和氣動執行機構連接,組成,電動三通法蘭球閥(開關型和調節型控制信號4-20mA)和氣動三通法蘭球閥(開關型和調節型控制信號4-20mA)
| 公稱壓力 PN(MPa) | 殼體試驗 (MPa) | 密封試驗 (MPa) | 氣密試驗 (MPa) |
|---|---|---|---|
| 1.6 | 2.4 | 1.76 | 0.6 (MPa) |
| 2.5 | 3.75 | 2.75 | |
| 4.0 | 6.0 | 4.4 | |
| CLASS150 | 3.0 | 2.2 | |
| 適用工況 | 適用介質 | 水、油品、氣等非腐蝕介質和酸堿腐蝕介質 | |
| 適用溫度 | -28~350℃ | ||
| 應用規范 | 連接法蘭 | JB79-59 GB9113、 HG20592-97、 ANSI B16.5 | |
| 檢驗試驗 | JB/T 9092-99 、API598 | ||
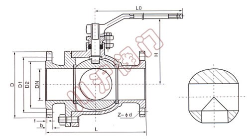
手動三通L型球閥
| 型號 | 公稱通徑 DN(mm) | 尺寸(mm) | |||||||||
|---|---|---|---|---|---|---|---|---|---|---|---|
| L | L2 | D | D1 | D2 | b | f | Z-d | H | W | ||
| Q44F-16C | 15 | 150 | 72 | 95 | 65 | 45 | 14 | 2 | 4-14 | 95 | 130 |
| 20 | 160 | 80 | 105 | 75 | 55 | 14 | 2 | 4-14 | 110 | 130 | |
| 25 | 180 | 90 | 115 | 85 | 65 | 14 | 2 | 4-18 | 120 | 140 | |
| 32 | 200 | 100 | 135 | 100 | 78 | 16 | 2 | 4-18 | 144 | 180 | |
| 40 | 220 | 110 | 145 | 110 | 85 | 16 | 3 | 4-18 | 152 | 220 | |
| 50 | 240 | 120 | 160 | 125 | 100 | 16 | 3 | 4-23 | 182 | 220 | |
| 65 | 260 | 130 | 180 | 145 | 120 | 16 | 3 | 4-18 | 193 | 240 | |
| 80 | 280 | 140 | 195 | 160 | 135 | 20 | 3 | 8-18 | 217 | 270 | |
| 100 | 320 | 160 | 215 | 180 | 155 | 20 | 3 | 8-18 | 245 | 350 | |
| 125 | 380 | 190 | 245 | 210 | 185 | 22 | 3 | 8-18 | 282 | 500 | |
| 150 | 440 | 220 | 280 | 240 | 210 | 24 | 3 | 8-23 | 319 | 600 | |
| 200 | 550 | 260 | 335 | 295 | 265 | 26 | 3 | 12-23 | 380 | 1000 | |
| 250 | 670 | 310 | 405 | 355 | 320 | 30 | 3 | 12-25 | 460 | 1400 | |
| 300 | 720 | 370 | 460 | 410 | 375 | 30 | 3 | 12-25 | 520 | 1800 | |
手動三通T型球閥 連接尺寸
| 型號 | 公稱通徑 DN(mm) |
尺寸(mm) | |||||||||
|---|---|---|---|---|---|---|---|---|---|---|---|
| L | L2 | D | D1 | D2 | b | f | Z-d | H | W | ||
| Q45F-16C | 15 | 150 | 72 | 95 | 65 | 45 | 14 | 2 | 4-14 | 95 | 130 |
| 20 | 160 | 80 | 105 | 75 | 55 | 14 | 2 | 4-14 | 110 | 130 | |
| 25 | 180 | 90 | 115 | 85 | 65 | 14 | 2 | 4-18 | 120 | 140 | |
| 32 | 200 | 100 | 135 | 100 | 78 | 16 | 2 | 4-18 | 144 | 180 | |
| 40 | 220 | 110 | 145 | 110 | 85 | 16 | 3 | 4-18 | 152 | 220 | |
| 50 | 240 | 120 | 160 | 125 | 100 | 16 | 3 | 4-23 | 182 | 240 | |
| 65 | 260 | 130 | 180 | 145 | 120 | 16 | 3 | 4-18 | 193 | 270 | |
| 80 | 280 | 140 | 195 | 160 | 135 | 20 | 3 | 8-18 | 217 | 350 | |
| 100 | 320 | 160 | 215 | 180 | 155 | 20 | 3 | 8-18 | 245 | 500 | |
| 125 | 380 | 190 | 245 | 210 | 185 | 22 | 3 | 8-18 | 282 | 600 | |
| 150 | 440 | 220 | 280 | 240 | 210 | 24 | 3 | 8-23 | 319 | 1000 | |
| 200 | 550 | 260 | 335 | 295 | 265 | 26 | 3 | 12-23 | 380 | 1300 | |
| 250 | 670 | 310 | 405 | 355 | 320 | 30 | 3 | 12-25 | 460 | 1700 | |
| 300 | 720 | 370 | 460 | 410 | 375 | 30 | 3 | 12-25 | 520 | 2100 | |
| 球閥說明書 | 下載 |
|---|---|
| 球閥說明書-上海川滬閥門有限公司 | 點擊下載 |